中国汽车工程师之家--聚集了汽车行业80%专业人士 

论坛口号:知无不言,言无不尽!QQ:542334618 

本站手机访问:直接在浏览器中输入本站域名即可 

空调控制.pdf

 

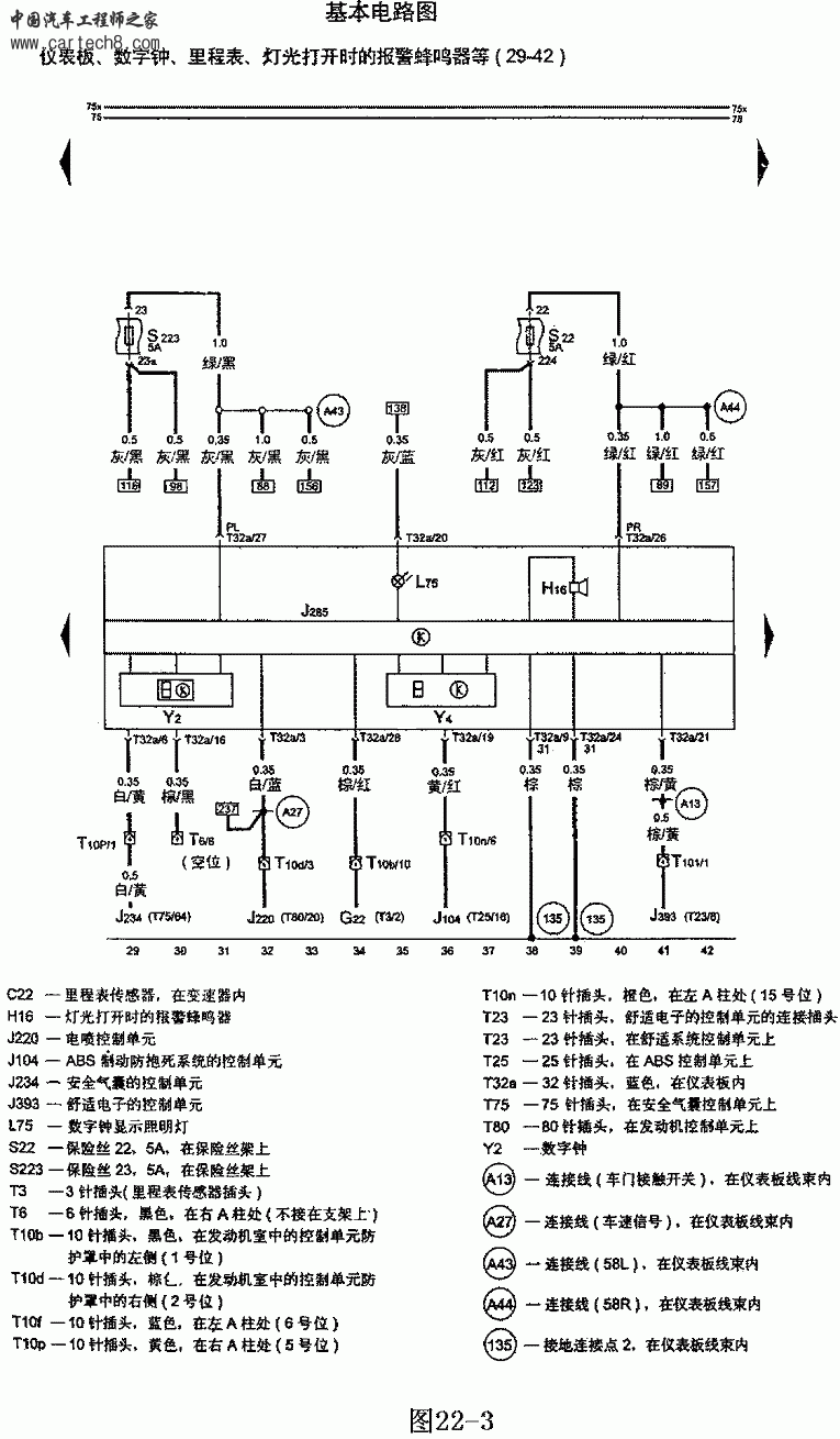
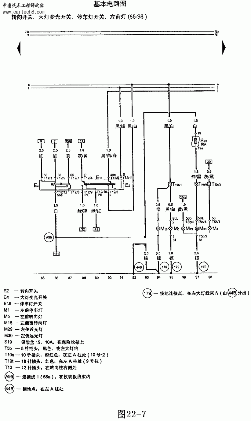
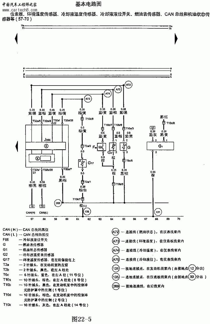
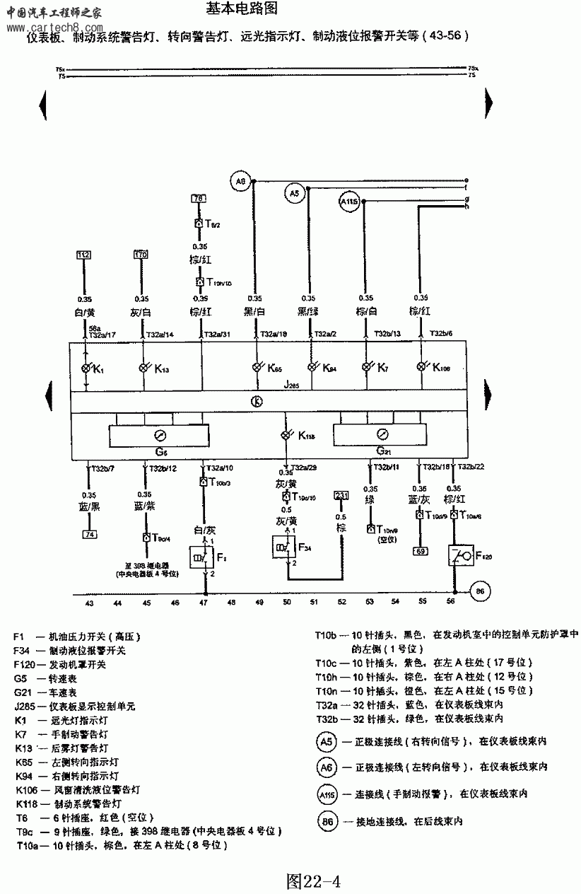
大众宝来电路图。:
真好,谢谢,对我有好的的帮助
很好、下来收藏、有用
过来学习一下。。。。。。

QQ|手机版|小黑屋|Archiver|汽车工程师之家 ( 渝ICP备18012993号-1 )

GMT+8, 28-3-2026 10:10 , Processed in 0.303136 second(s), 19 queries .

Powered by Discuz! X3.5

© 2001-2013 Comsenz Inc.