• 2344查看
  • 0回复

[系统功能] ?关于整车上下电流程的理解

[复制链接]


该用户从未签到

发表于 2-9-2023 08:40:20 | 显示全部楼层 |阅读模式

汽车零部件采购、销售通信录       填写你的培训需求,我们帮你找      招募汽车专业培训老师


通常在我们的认知中,车辆是在拧钥匙或者按下启动按钮后启动的,但是实际上车辆中的大部分ECU在你按下解锁和开车门的时候已经起来,等候工作。

那车辆中的电控单元是怎么被唤醒,以及新能源车中最重要高压系统是怎么上下电的呢?下面来看看。

01

整车上下电简介

虽然控制单元可以IG ON、网络或者其他方式唤醒,不过就目前车辆上的ECU而言,大多数是采用网络唤醒,因为整车上有八九十个ECU,采用硬线控制会使总成本和重量都增加,而且通过网络控制更加灵活。当钥匙按下解锁键或打开车门或按下启动键时,唤醒信号通过网关转发至整车控制器(VCU),并将其唤醒,VCU唤醒后控制低压继电器盒,使其他ECU上电,并通过发送网络管理将其ECU唤醒,ECU启动并完成自检后,如果没有问题,则可以正常工作了,然后在上高压电(后面会讲)。在低压下电过程中,当启动键切换到OFF档,首先进行将断开高压供电,车辆各ECU开始陆陆续续停发网络管理报文,然后停发应用报文,进入休眠下电流程,最后控制电源管理模块,断开供电。
另外在车辆休眠时,大部分ECU的低压常电都是通过低压继电器盒断开的,保证车辆静置时暗电流小,能量消耗最低,尽量延长低压蓄电池亏电时间,因为在车辆静置时,低压蓄电池电量不能通过高压动力电池进行补充。不过也有些ECU在静置时需要定期运行,比如BMS就需要定期唤醒检查高压动力电池的状态。02

高压系统上下电逻辑

前面提到了高压系统(如图1所示)的上下电,在纯电车中,这是很重要的一环,首先高压存在安全问题,另外如果高压无法上电,车辆是无法开动的,类似于传统车上,发动机没有启动,车辆动不了一样。
?关于整车上下电流程的理解w1.jpg

图1 高压系统电气图(来源知网)高压上下电的上层控制单元是VCU,它负责各个子系统的协调,以及整车运行状态的管理。除了管理高压上下电,也负责根据加速踏板、档位、制动踏板等驾驶员的操作意图和动力电池的电量,计算出所需的电机输出扭矩等参数,从而保障车辆的正常形式,另外也根据动力电池的电量、电池温度以及行车制动来实现不同等级的能量回收。高压上下电需要满足的原则:1、避免车辆出现非预期的加速、减速、转向等动作;2、应避免因高压故障引起人员伤亡及设备损坏;3、满足高压上下电性能要求;首先高压上电功能需求主要包括:钥匙上电、直流/交流充电、远程控制(例如远程打开空调),这三种场景仅仅是唤醒的方式不一样,高压上电的逻辑和时序是差不多的。对于整个上电过程,通过会有时间要求,比如要求1s内局域网内各ECU(通常包括VCU、DCDC、DCU、BMS等)应完成上电流程,并进入工作模式。在上电流程中,首先是VCU被唤醒(钥匙唤醒、网络唤醒、或者充电cc信号硬线唤醒),启动后发送请求闭合HVIL回路使能线和必要的12V低压继电器的CAN报文,同时监控HVIL回路状态,然后DCU、DC/DC、BMS被唤醒(VCU发送的网络管理报文或者IG ON信号唤醒)并进行自检,监控HVIL回路状态,对于BMS来说还需计算绝缘阻值,确认绝缘是否正常,无故障后进入待机模式(standby状态)。随后VCU请求BMS闭合主继电器,BMS则先后闭合主负继电器和预充继电器,当检测到母线电压达到阈值后,判断预充电成功,然后闭合主正继电器,并断开预充继电器,到这则高压上电完成,在VCU请求BMS闭合主继电器时,同时也会请求DCU、DC/DC进入工作模式,时序图如图2所示。
为什么要预充呢?对于低压来说,例如平时用的电池或者是12V低压蓄电池,是不需要开关,直接拔电池不会有什么风险。但对高压而言,直接接电池是不行的,有可能会产生较大的冲击,烧坏功率器件。
预充是将预充电阻串联到高压回路中,由预充电阻分掉一部分电压,然后,随着各ECU内的电容充电上来,等到电压上升到某一阈值,主正继电器闭合,这样预充回路就完成了它的工作了,如图1。
?关于整车上下电流程的理解w2.jpg

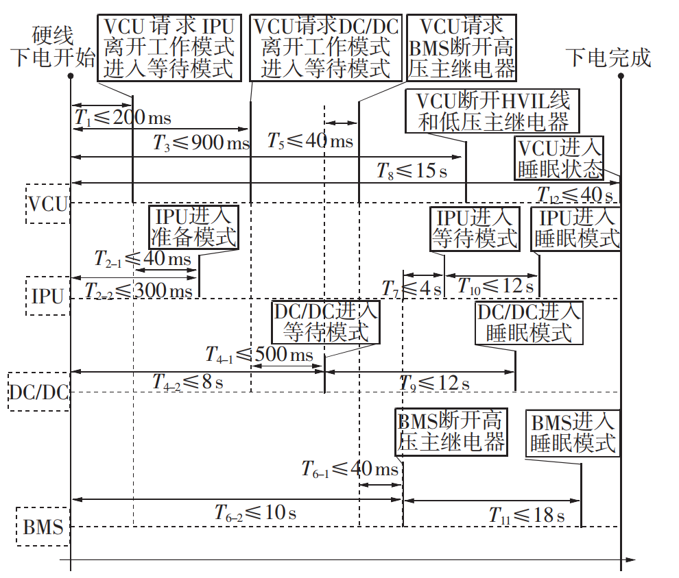
图2 高压正常上电时序(来源知网)在正常下电流程中,当检测到钥匙信号、硬线信号关闭或网络唤醒信号停发,VCU立即请求DCU离开工作模式,并且功率器件迅速降低功率,随后VCU请求DC/DC离开工作模式,然后VCU在请求BMS断开继高压继电器,BMS完成响应后,VCU断开HVIL回路和低压继电器,各节点进入下电休眠流程,如图3所示。

?关于整车上下电流程的理解w3.jpg

图3 高压正常下点(来源知网)在正常上电状态下,如果出现绝缘阻值低于阈值、高压互锁断开、IGBT过流等严重故障时,VCU会进行紧急下高压电流程,首先VCU请求DC/DC脱离工作模式,DCU进入failure模式,随后VCU请求BMS断开高压继电器,并且断开HVIL回路,随后 VCU 请求 IPU 进入紧急放电模式, DCU在规定时间内完成余电泄放, 若钥匙为关闭状态,则各节点进入休眠流程,如图4所示。

?关于整车上下电流程的理解w4.jpg

图4 高压紧急下点(来源知网)03

特斯拉的上下电

特斯拉的高压系统图如图5所示,有个不一样的点,特斯拉的高压系统没有预充回路,那他是怎么上高压的呢?

?关于整车上下电流程的理解w5.jpg

图5 特斯拉高压系统简图 (来源知乎daijun211)特斯拉把预充回路取消了,把这个功能集成到DC/DC中了。高压上电过程中,DCDC将低压端连接的12V蓄电池升压为高压,给各高压部件内部的电容进行充电,如图6所示。
?关于整车上下电流程的理解w6.jpg

图6 DC/DC反向升压(来源知乎daijun211)具体步骤如下:1,闭合主负继电器;2,DCDC开始升压,AB点的电压上升到一定的值;3,闭合主正继电器;4,高压回路完成,电池输出高压给DCDC,DCDC正向工作给12V低压蓄电池充电。——上高压完成。
这种设计对12V低压蓄电池有较高的要求,需要其支持瞬间的高功率输出。虽然这种反向输出并不是新东西,但是集成用于汽车中的高压上电逻辑,还是很新的。不得不说特斯拉的造车思路跟大家都不一样,很多东西值得借鉴学习。参考:https://zhuanlan.zhihu.com/p/373665809?utm_source=wechat_session&utm_medium=social&utm_oi=44796261433344、知网文献



该用户从未签到

发表于 17-3-2025 20:02:03 | 显示全部楼层
关于整车上下电流程的理解,车辆中的电控单元通过网络唤醒。当钥匙按下解锁键或打开车门时,唤醒信号通过网关转发至整车控制器(VCU),VCU会进一步唤醒其他ECU。对于新能源车,高压系统的上下电流程更为复杂。在车辆启动前,电池管理系统(BMS)会进行自检,确保电池状态良好。上电时,VCU控制高压继电器闭合,为整车高压系统供电。下电时,VCU控制高压继电器断开,保证安全。这一过程需要精确的控制和管理,确保车辆的安全与性能。因此,网络控制的方式既经济又高效,使整车控制器能够灵活、精准地控制各个ECU的唤醒与休眠。
回复 支持 反对

使用道具 举报



该用户从未签到

发表于 17-3-2025 20:02:03 | 显示全部楼层
关于整车上下电流程的理解,实际上在车辆设计中,电控单元的唤醒和高压系统的上下电流程是非常关键的环节。在整车上下电流程中,当车主按下解锁键或打开车门时,车辆的网络系统会发出唤醒信号,通过网关转发至整车控制器(VCU)。VCU接收到信号后,会启动ECU的唤醒流程,各个ECU陆续加入网络,完成自检并等待启动指令。新能源汽车的高压系统上下电则更加复杂,涉及到电池管理系统(BMS)、电机控制器(MCU)等核心部件的交互。在车辆启动时,BMS会控制电池的上下电,确保安全后向MCU等负载供电。整个流程精确且高效,确保车辆的正常运行和安全性。
回复 支持 反对

使用道具 举报

快速发帖

您需要登录后才可以回帖 登录 | 注册

本版积分规则

QQ|手机版|小黑屋|Archiver|汽车工程师之家 ( 渝ICP备18012993号-1 )

GMT+8, 10-4-2026 21:06 , Processed in 0.470944 second(s), 38 queries .

Powered by Discuz! X3.5

© 2001-2013 Comsenz Inc.