中国汽车工程师之家--聚集了汽车行业80%专业人士 

论坛口号:知无不言,言无不尽!QQ:542334618 

本站手机访问:直接在浏览器中输入本站域名即可 

  • 452查看
  • 0回复

[驱动电机] 基于电压型磁链观测器的异步电机矢量控制学习1

[复制链接]


该用户从未签到

发表于 27-3-2024 22:08:29 | 显示全部楼层 |阅读模式

汽车零部件采购、销售通信录       填写你的培训需求,我们帮你找      招募汽车专业培训老师


导读:本期主要介绍电压型磁链观测器(voltage flux observer)在静止坐标系下的表现形式,应用在异步电机矢量控制系统中。

一、引言

磁链估计是高性能交流感应电机调速系统中的重要组成部分。而磁链在实际应用中一般不用传感器直接检测,所以现代交流电力传动控制系统常用磁链估计模型来估算磁链。在电机运行过程中,要考虑磁饱和、温度等干扰信号对电机参数造成偏差的影响,所以如何在电机全速范围内获得准确的磁链即提高磁链观测器的参数鲁棒性成为众多学者的研究内容。

转子磁链观测器利用定子电压、定子电流或转子转速信号观测出转子磁链的相位和幅值。如果转子磁链的相位观测不准,那么定子电流的励磁分量与转矩分量就不能实现完全的解耦,可能会造成系统的振荡甚至不稳定。如果观测出转子磁链的幅值偏大,会使得电机运行在弱磁状态,减小电机的带载能力;如果观测出转子磁链的幅值偏小,会导致过大的励磁电流,使电机的铁心饱和,严重时还会导致绕组过热而烧坏电机。因此决定整个矢量控制系统性能优劣的最为关键环节就是转子磁链观测器。

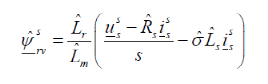
二、电压型转子磁链观测器

在静止坐标系下基于电压模型的转子磁链向量表达式如下:

基于电压型磁链观测器的异步电机矢量控制学习1w1.jpg

从上式可以发现电压型观测器具有以下特点:
(1)该模型与转子电阻Rr无关,且不需要电机转速 信息,适合用于无速度传感器矢量控制;

   (2)包含一纯积分项,被积项的初始相位与直流偏置都会影响积分结果;

(3)低速时观测器性能较差。因为低速时给定的定子电压幅值小,电机端电压难以精确获得,定子电阻的阻值在运行过程中又会发生变化,使得被积项产生明显的相对误差。

针对电压模型磁链观测器包含纯积分环节和低速性能差的问题,主要有三个改进措施:

(1) 采用其他环节来替换纯积分环节,例如用一阶低通滤波环节,针对一阶低通滤波环节会带来幅值和相位的误差以及无法消除直流偏置影响的问题,现有文献提出了许多改进型的积分器;

(2)对逆变器的非线性误差电压进行补偿。逆变器的驱动信号中存在的死区时间、开关管的导通压降和开通关断时间都会使得逆变器的参考电压和实际输出电压产生一定误差,尤其在低速时,由于给定电压的幅值小,重构的定子电压与实际值的相对误差变得尤为明显。如何尽可能地减少给定电压与逆变器输出实际电压的误差不单是电压模型磁链观测器的问题,这是所有用到定子电压的磁链观测器共性问题。

(3)加入定子电阻的在线辨识,使得在控制系统的运行过程中定子电阻参数能够跟随其实

际值变化。

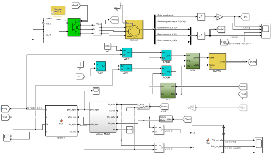
三、模型搭建

基于电压型磁链观测器的异步电机矢量控制学习1w2.jpg

图1 基于电压模型的异步电机矢量控制系统仿真

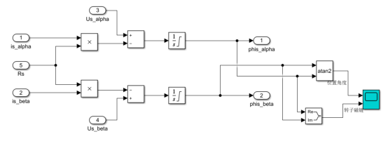
基于电压型磁链观测器的异步电机矢量控制学习1w3.jpg

基于电压型磁链观测器的异步电机矢量控制学习1w4.jpg

图2 电压型转子磁链观测器模型搭建
基于电压型磁链观测器的异步电机矢量控制学习1w5.jpg

图3 仿真波形变化情况
四、总结

传统的电压型磁链观测器包含纯积分环节,在低速区域存在初始值问题和直流偏置的问题,对电机参数敏感。针对这些问题,下期文章将介绍一种滤波器串联的方法来替换纯积分环节来解决初始值误差和直流偏置的问题。


该用户从未签到

发表于 13-3-2025 17:32:06 | 显示全部楼层
基于电压型磁链观测器的异步电机矢量控制,是实现高性能交流感应电机调速的重要环节。该观测器在静止坐标系下工作,其优势在于能准确估算出电机运行中的磁链变化。针对磁链估计中的难点,如磁饱和、温度变化对电机参数的影响,电压型磁链观测器通过复杂的算法与模型进行优化和补偿,以达到在全速范围内获得准确的磁链观测结果,从而增强系统的参数鲁棒性。该观测器结合了定子电压、电流及转速信号,通过精确算法计算出转子磁链的相位和幅值,为矢量控制提供了精准的数据基础。此技术已成为现代交流电力传动控制系统研究的热点,对于提高电机运行效率和性能具有重要意义。

[内容由汽车工程师之家人工智能总结,欢迎免费使用,见贴尾]
回复 支持 反对

使用道具 举报



该用户从未签到

发表于 13-3-2025 17:32:05 | 显示全部楼层
基于电压型磁链观测器的异步电机矢量控制,是实现高性能交流感应电机调速系统的关键技术之一。该观测器在静止坐标系下,结合电机的定子电压与电流信息,对异步电机的磁链进行估算。

磁链估计是矢量控制中的核心环节,无需传感器直接检测,通过构建合理的磁链估计模型可有效提高系统的参数鲁棒性。考虑到电机运行中磁饱和、温度等干扰因素对电机参数的影响,电压型磁链观测器表现出较高的准确性和稳定性。其通过优化算法处理,能在全速范围内获得精准的磁链相位和幅值,进而提升电机控制性能。目前,针对该技术的深入研究仍在持续,以进一步优化电机运行效率和系统稳定性。

[内容由汽车工程师之家人工智能总结,欢迎免费使用,见贴尾]
回复 支持 反对

使用道具 举报



该用户从未签到

发表于 13-3-2025 17:32:05 | 显示全部楼层
针对您提到的电压型磁链观测器及其在异步电机矢量控制中的应用,以下为专业回复:

电压型磁链观测器是实现异步电机高性能控制的关键。它在静止坐标系下的表现形式,为磁链估计提供了有效手段。该观测器主要利用定子电压和电流信号来估算转子磁链,从而提高系统的参数鲁棒性。考虑到电机运行中的磁饱和、温度等因素对电机参数的影响,该观测器通过优化算法和模型,确保在全速范围内获得准确的磁链观测结果。其应用转子磁链观测技术,能更精确地控制电机的运行,从而提高系统的效率和性能。此技术是当前电力电子与电力传动领域的研究热点,对于推动电机控制技术的发展具有重要意义。

[内容由汽车工程师之家人工智能总结,欢迎免费使用,见贴尾]
回复 支持 反对

使用道具 举报



该用户从未签到

发表于 13-3-2025 17:32:06 | 显示全部楼层
针对您提供的关于电压型磁链观测器在异步电机矢量控制应用中的导读内容,以下是我的专业回复:

电压型磁链观测器在异步电机矢量控制系统中发挥着核心作用,是实现高性能交流感应电机调速的关键。该观测器在静止坐标系下的表现形式,主要通过对定子电压和电流的采样,估算出转子的磁链相位和幅值。为提高磁链观测的准确性及参数鲁棒性,研究者们正致力于解决磁饱和、温度干扰等因素对电机参数的影响。通过优化观测器算法,可有效提高异步电机控制性能,推动其在电力传动控制系统中的广泛应用。未来研究方向包括改进磁链估计模型、提升抗干扰能力,以及实现全速范围内的精确磁链观测。

希望对你有所帮助。如有更多问题,欢迎进一步交流。

[内容由汽车工程师之家人工智能总结,欢迎免费使用,见贴尾]
回复 支持 反对

使用道具 举报



该用户从未签到

发表于 13-3-2025 17:32:06 | 显示全部楼层
基于电压型磁链观测器的异步电机矢量控制,是实现高性能交流感应电机调速的关键技术。磁链估计是该系统中的核心部分,无需传感器直接检测,通常采用磁链估计模型来估算。在运行过程中,由于多种因素如磁饱和、温度等导致电机参数偏差,因此提高磁链观测器的参数鲁棒性至关重要。

电压型磁链观测器,通过静止坐标系下的定子电压和电流信号,结合先进的控制算法,实现对转子磁链的准确观测。其优势在于能应对电机全速范围内的复杂工况,实现磁链相位和幅值的精确估算。对于优化电机运行、提升系统性能具有关键作用。当前,针对该技术的深入研究正不断展开,以应对实际应用中的各种挑战。

[内容由汽车工程师之家人工智能总结,欢迎免费使用,见贴尾]
回复 支持 反对

使用道具 举报



该用户从未签到

发表于 13-3-2025 17:32:06 | 显示全部楼层
答复:

关于电压型磁链观测器在异步电机矢量控制中的应用

磁链估计是异步电机矢量控制系统中的核心环节,对于电机性能的优化与提升具有重要意义。电压型磁链观测器作为磁链估计的重要手段,在静止坐标系下有着广泛的应用。

该观测器主要通过定子电压和定子电流等信号来估算转子磁链的相位和幅值,其表现形式的准确性和鲁棒性对于系统的性能至关重要。在电机运行过程中,由于受到磁饱和、温度等干扰信号的影响,电机参数会出现偏差,因此如何提高磁链观测器的参数鲁棒性是研究的重点。

目前,针对这一问题,众多学者正在深入研究,以寻求在全速范围内获得准确磁链的解决方法。我们也正在积极探索,通过优化算法和提升观测器的性能,以期在异步电机矢量控制系统中实现更为精准和稳定的磁链估计。

后续我们将深入探讨电压型磁链观测器的具体实现方式、优化策略及其在实际应用中的挑战和解决方案,敬请关注。

[内容由汽车工程师之家人工智能总结,欢迎免费使用,见贴尾]
回复 支持 反对

使用道具 举报



该用户从未签到

发表于 13-3-2025 17:32:06 | 显示全部楼层
答复:

关于电压型磁链观测器在异步电机矢量控制中的应用

磁链估计是交流感应电机调速系统的核心,对于系统的性能具有决定性作用。在现代电力传动控制系统中,由于磁链无法直接通过传感器检测,因此采用磁链估计模型至关重要。电压型磁链观测器作为其中的一种重要技术,在静止坐标系下具有广泛的应用前景。

此观测器主要通过定子电压和定子电流信号来估算转子磁链的相位和幅值。考虑到电机运行过程中的各种干扰因素,如磁饱和和温度变化导致的电机参数变化,提高磁链观测器的参数鲁棒性成为研究重点。

目前,众多学者正在深入研究如何在全速范围内实现准确的磁链观测,以优化异步电机的矢量控制。未来,随着技术的不断进步,电压型磁链观测器在异步电机控制中的应用将更加精确和广泛。

本导读为后续研究提供了基础,有助于加深对电压型磁链观测器及其在异步电机矢量控制中应用的深入理解。期待广大研究者在这一领域取得更多突破性的成果。

[内容由汽车工程师之家人工智能总结,欢迎免费使用,见贴尾]
回复 支持 反对

使用道具 举报

快速发帖

您需要登录后才可以回帖 登录 | 注册

本版积分规则

QQ|手机版|小黑屋|Archiver|汽车工程师之家 ( 渝ICP备18012993号-1 )

GMT+8, 2-4-2026 05:03 , Processed in 0.456147 second(s), 44 queries .

Powered by Discuz! X3.5

© 2001-2013 Comsenz Inc.