中国汽车工程师之家--聚集了汽车行业80%专业人士 

论坛口号:知无不言,言无不尽!QQ:542334618 

本站手机访问:直接在浏览器中输入本站域名即可 

  • 698查看
  • 0回复

[驱动电机] 电驱动系列:四十一、电机控制器工作过程及原理

[复制链接]

  • TA的每日心情
    无聊
    1-7-2015 18:46
  • 签到天数: 1 天

    [LV.1]初来乍到

    发表于 7-4-2024 19:37:16 | 显示全部楼层 |阅读模式

    汽车零部件采购、销售通信录       填写你的培训需求,我们帮你找      招募汽车专业培训老师


    41.1 电路控制的发展历程

    (1)1904年出现二级真空管(真空中控制电子)

    (2)1930年出现的水银整流器

    (3)1947年出现的电晶体

    (4)1957年出现的闸流体(单晶矽为半导体材料的整流器,可控制开通,但开通后无法控制关断,一般称为半控型元件)

    (5)1970年代出现的MOSFET、BJT、GTO等全控型元件

    (6)1980年代出现的IGBT(以MOSFET为本体,结合BJT的复合元件)

    (7)目前以新一代半导体材料如SiC对以上控制元件的升级
    41.2 电路控制的类型

    对于MOSFET及IGBT之前已经进行原理的讲解,电路控制中主要用到二者的开关功能,我们称其为功率开关元件,使用这些功率开关元件的组合可以对电路实现以下控制:
    表41.1 电路的几种控制

    输出   输入

    DC

    AC

    DC

    直流截波

    整流

    AC

    逆变Inverter

    变频、变压
    电机中,假如输入为DC直流电,电机类型为AC交流电机,则输入为DC,输出为AC,控制器使用有逆变功能的电路,因此称这种电机控制器为逆变器,同时逆变器还可以控制AC交流电的频率,从而实现调速的功能。41.3 逆变器的基本工作原理

    电驱动系列:四十一、电机控制器工作过程及原理w1.jpg

    电驱动系列:四十一、电机控制器工作过程及原理w2.jpg

    图41.1 单相交流负载控制电路基本原理图

    三相负载控制电路原理图:
    同样的,对于三相负载,我们可以使用以下电路来实现逆变功能:
    电驱动系列:四十一、电机控制器工作过程及原理w3.jpg

    图41.2 三相交流负载控制电路基本原理图
    将开关元件转化为IGBT或MOSFET、并设置稳压电容及续流二极管,可得电路图如下:
    电驱动系列:四十一、电机控制器工作过程及原理w4.jpg

    图41.3 逆变器控制电路基本原理图
    其中6个IGBT的控制极门极接控制电路,通过控制电路的高低电压来控制IGBT的开通与关断;左侧的两个电容为直流稳压电容;与并联的六个二极管为续流二极管,可以起到平缓负载中的电流的目的,电机电感线圈在电路开闭瞬间产生的反向电动势通常会高过电源,此二极管可以防止反向击穿IGBT。每个IGBT所在的部分为桥臂,图41.3中共有6个桥臂,如图中U相连接点所在支路有上、下两个桥臂;41.4 逆变器的工作过程及获得的电压电流

    为了使负载获得三相交流电,其工作过程如下:

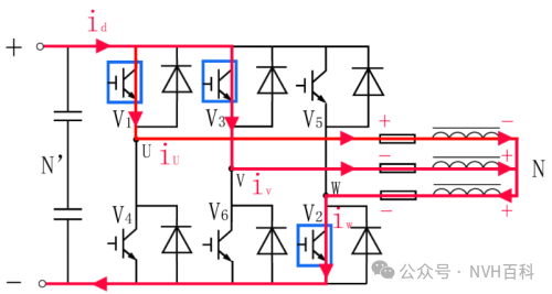
    (1)V1/V5/V6导通,其他关断

    逆变器内定义的各点电流趋势的方向如图41.4所示(这里用的趋势是由于负载中存在电感,电感会导致电流相位的滞后);假设三相U/V/W负载阻抗相同,则其等效电路图及各点处的电位如图41.5所示;由各点之间的电位可计算出任意两点之间的电压及各路电流,需要注意的是由于电感元件的存在,电流与电压之间会存在相位差,且波形也不同。部分电压与电流波形如图中虚线左侧所示。

    电驱动系列:四十一、电机控制器工作过程及原理w5.jpg

    图41.4 V1/V5/V6导通时电流趋势的方向
    假设各相负载阻抗相同,且虚拟中性点N’接地,即电位为0,上图可简化为以下电路图,各点处的电位如括号中所示:
    电驱动系列:四十一、电机控制器工作过程及原理w6.jpg

    图41.5 V1/V5/V6导通时等效电路图
    根据此电路图可得各点间的电压及各路电流,如图41.6所示
    电驱动系列:四十一、电机控制器工作过程及原理w7.jpg

    图41.6 不同位置处的电压及电流曲线(虚线之前部分)

    电驱动系列:四十一、电机控制器工作过程及原理w8.jpg

    图中负载(电机绕组)的接法是星型连接,星形接法是指三个相的一端连接在一起形成公共端,这个公共端被称为中性点,用字母“N”标识;采用星形接法时,相电压为各相线端与中性点之间的电压,线电压为各相线段之间的电压(这里线段可以指图中U/V/W三个点)。由于中性点N在电机内部,因此相电压无法直接测量。线电压和相电压可据下面的公式进行计算:相电压:
    电驱动系列:四十一、电机控制器工作过程及原理w9.jpg

    线电压:

    电驱动系列:四十一、电机控制器工作过程及原理w10.jpg

    根据以上公式可以计算得到电机绕组各相电压或线电压。

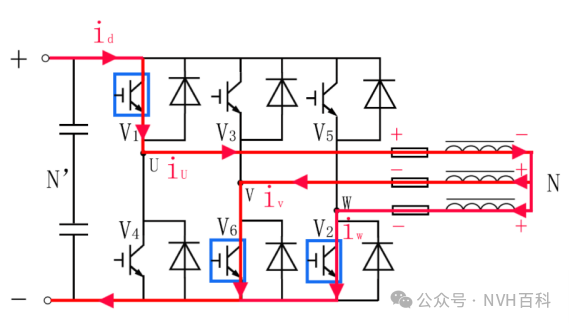
    (2)V1/V2/V6导通,其他关断

    根据上面的方法可的图41.7、图41.8、图41.9;同时电流之间有以下关系:

    电驱动系列:四十一、电机控制器工作过程及原理w11.jpg

    电驱动系列:四十一、电机控制器工作过程及原理w12.jpg

    图41.7 V1/V2/V6导通时逆变器工作示意图

    电驱动系列:四十一、电机控制器工作过程及原理w13.jpg

    图41.9 V1/V2/V6导通时部分电压电流曲线(两虚线之间部分)
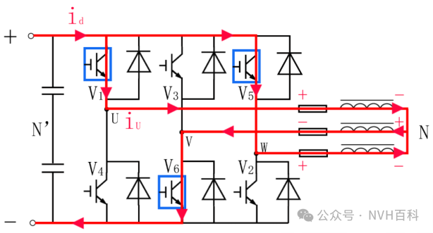
    (3)当V1/V2/V3导通时:
    电驱动系列:四十一、电机控制器工作过程及原理w14.jpg

    图41.10 V1/V2/V3导通时逆变器工作示意图

    电驱动系列:四十一、电机控制器工作过程及原理w15.jpg

    图41.11 V1/V2/V3导通时部分电压电流曲线(两虚线之间部分)
    (4)依此类推,按照以下导通顺序循环导通关断,我们即可获得三相交流电:
    电驱动系列:四十一、电机控制器工作过程及原理w16.jpg

    图41.12 各桥臂导通顺序及获得的电压电流曲线
    (5)三相逆变器的导通规律综上,要想获得三相交流电,各桥臂的导通规律为:①任意时刻有三个桥臂同时导通;②同一相上下两桥臂交替导电,不能同时导通:比如V1/V4同时导通会造成短路;③设一个循环360°,每桥臂导电180°④各相开始导电的角度差为120°;如上桥臂:U相V1开始导电,120°之后V相的V3开始导电;⑤每次电流方向变化都是在同一相的上下两桥臂之间进行。
    

    该用户从未签到

    发表于 13-3-2025 02:02:01 | 显示全部楼层
    针对您提到的电驱动系列中的电机控制器发展过程,以下为回复:

    关于电机控制器工作原理及其发展历程:电机控制器发展过程伴随着电路控制技术的不断进步。从初期的真空管到半导体材料的出现,电路控制类型逐步丰富与革新。特别是在现代,以MOSFET及IGBT为核心的全控型元件得到广泛应用。此二者结合了电路控制技术的先进特性,在电路控制与功率处理方面表现卓越。目前,随着新一代半导体材料SiC的应用,电机控制器的性能进一步提升。未来,随着科技的进步,电机控制器将在更广泛的应用领域中发挥关键作用。对于电路控制的类型,需根据实际应用场景及需求进行选择和设计。

    [内容由汽车工程师之家人工智能总结,欢迎免费使用,见贴尾]
    回复 支持 反对

    使用道具 举报

    
  • TA的每日心情
    无聊
    1-7-2015 18:46
  • 签到天数: 1 天

    [LV.1]初来乍到

     楼主| 发表于 13-3-2025 02:02:02 | 显示全部楼层
    关于电路控制的发展历程:从真空管到晶体管再到集成电路的不断革新推动了电路控制的飞速进步。早在十九世纪末期就已出现真空管用于控制电路;而后至四十年代电晶体(半导体器件)的出现,使得电路控制更为精细;七十年代全控型元件如MOSFET、BJT及GTO的出现,使电路控制进入了全新的时代。至八十年代,IGBT的普及推动了电机控制器中电路控制技术的进步。而现如今,基于SiC的新一代半导体材料的应用正在对电路控制元件进行升级,推动了电机控制器技术的革新。至于电路控制的类型,主要包括模拟控制、数字控制和混合控制等。其中MOSFET及IGBT的控制原理涉及到复杂的电路设计和半导体物理,需结合PWM信号进行精确控制以实现电机的高效运行。

    [内容由汽车工程师之家人工智能总结,欢迎免费使用,见贴尾]
    回复 支持 反对

    使用道具 举报

    

    该用户从未签到

    发表于 13-3-2025 02:02:01 | 显示全部楼层
    以下是回复的帖子内容:

    关于电机控制器工作过程及原理——电路控制发展历程的专业解析:

    一、电机控制器的发展,密切跟随电路控制技术的历史进程。自上世纪起,随着科技的发展,电路控制元件逐渐进化。由二级真空管、水银整流器到电晶体、闸流体等半控型元件,再到全控型元件如MOSFET、BJT及GTO的出现,电路控制技术取得了巨大的进步。特别是进入上世纪80年代,IGBT的复合元件诞生,以其独特的优势在电路控制领域占据重要地位。

    二、现代电机控制器主要依赖于先进的半导体材料和技术。以SiC为代表的新一代半导体材料的应用,为电路控制元件的升级提供了强大的动力。随着这些技术的发展,电机控制器的性能得到显著提高,其工作过程更为精准、高效。

    关于电路控制的类型及MOSFET和IGBT的原理,后续将进行详细的讲解。

    [内容由汽车工程师之家人工智能总结,欢迎免费使用,见贴尾]
    回复 支持 反对

    使用道具 举报

    

    该用户从未签到

    发表于 13-3-2025 02:02:01 | 显示全部楼层
    关于电路控制的发展历程与类型在电机控制器工作中的应用:从真空管到半导体材料的发展,构成了电机控制器电路控制的核心历程。其中二级真空管的出现开启了电子控制的初步时代,而后续的水银整流器、电晶体等逐步提高了电路控制的性能。闸流体作为半控型元件,虽然有一定的控制能力,但在全控型元件如MOSFET、BJT及GTO出现后,电路控制进入全新的阶段。特别是MOSFET和IGBT的出现,极大地提升了电路控制的效率和可靠性。目前,新一代半导体材料SiC的应用,更是推动了电机控制器电路控制的升级换代。至于电路控制的类型,包括开关控制、PWM控制等,每种类型都有其特定的应用场景和优势。关于MOSFET及IGBT的原理,涉及到其内部结构和工作原理的复杂性,需要进一步详细讲解。

    [内容由汽车工程师之家人工智能总结,欢迎免费使用,见贴尾]
    回复 支持 反对

    使用道具 举报

    

    该用户从未签到

    发表于 13-3-2025 02:02:02 | 显示全部楼层
    针对您提到的电驱动系列中关于电机控制器的工作过程及原理问题,简要概述如下:

    电路控制发展历程方面,自二级真空管开始,逐步经历了水银整流器、电晶体等发展阶段。随后,全控型元件如MOSFET、BJT及GTO等出现,使得电路控制更为精确和高效。进一步地,以MOSFET和IGBT为基础的复合元件,如IGBT,实现了电路控制的进一步优化。目前,新一代半导体材料如SiC的应用,推动了电路控制的进一步升级。

    关于电路控制的类型,主要分为模拟控制和数字控制两种。模拟控制基于连续变化的信号,精确度高;数字控制则基于离散信号,具有抗干扰能力强、易于实现等优点。在MOSFET及IGBT等控制元件的应用中,通常采用这两种控制方式来实现电机的高效、精确控制。

    [内容由汽车工程师之家人工智能总结,欢迎免费使用,见贴尾]
    回复 支持 反对

    使用道具 举报

    

    该用户从未签到

    发表于 13-3-2025 02:02:02 | 显示全部楼层
    根据您的要求,以下是关于电机控制器工作过程及原理的回复,按照专业汽车工程师的文风撰写:

    电驱动系列41:电机控制器工作过程及原理概述

    41.1 电路控制的发展历程简述如下:

    自上世纪初至今,电路控制元件经历了从真空管到现代半导体材料的飞速发展。其中,二级真空管的出现为电路控制开启了新篇章。随后,水银整流器、电晶体、闸流体等元件的涌现,逐渐实现了对电流的更精细控制。至1970年代,全控型元件如MOSFET、BJT、GTO的出现,为电路控制提供了全新的可能性。进入1980年代,IGBT的复合元件形态,进一步提升了电路控制的效率和性能。当前,以SiC为代表的新一代半导体材料,正在推动电路控制的升级革新。

    41.2 电路控制的类型:

    针对MOSFET及IGBT等全控型元件,电机控制器主要采用PWM(脉宽调制)控制方式。通过调节这些元件的开关状态,实现对电机电流的精准控制,从而驱动电机运转。具体的控制过程包括电流采样、PWM信号生成、驱动信号输出等环节。此外,还有一些先进的控制策略,如矢量控制、直接转矩控制等,用于提升电机控制性能。

    以上是对电机控制器工作过程及原理的简要概述,希望能对您有所帮助。

    [内容由汽车工程师之家人工智能总结,欢迎免费使用,见贴尾]
    回复 支持 反对

    使用道具 举报

    快速发帖

    您需要登录后才可以回帖 登录 | 注册

    本版积分规则

    QQ|手机版|小黑屋|Archiver|汽车工程师之家 ( 渝ICP备18012993号-1 )

    GMT+8, 2-4-2026 04:42 , Processed in 0.525553 second(s), 42 queries .

    Powered by Discuz! X3.5

    © 2001-2013 Comsenz Inc.