风扇为什么会转
作者:汉威客 风扇不转再也不是更换一个新风扇这么简单,那些还坚信一把榔头走天下,听听声音就能判断故障来源的汽修厂将最终被历史淘汰。
以下为文章全文:(本站微信公共账号:cartech8)

汽车零部件采购、销售通信录 填写你的培训需求,我们帮你找 招募汽车专业培训老师
没错,这里说的风扇指的就是车头处会呼呼作响的东西,尤其在夏天的时候你会清晰地听到它的存在,如果你是高端一点的车子,熄火锁车后走出五十米还能听到它在坚持不懈转动的声音。 汽车为什么需要风扇? 风扇的功能就是把车外的空气抽到发动机舱内,这些空气在经过散热片的时候会对其产生降温的作用。同一台车可能有很多层散热片叠在一起,这些散热器里流动的不外乎是冷却液、空调冷媒、变速箱油、涡轮高压空气和转向助力油。如果有一天风扇不转了,这些媒介的温度就会迅速上升,降低工作效率,甚至损坏车辆。
汽车的散热风扇一直在转吗? 答案显然是否定的,因为一个合理的发动机温度有利于发动机的运行,温度过低会造成喷油雾化效果差,油耗增加,而温度过高则容易产生发动机爆震。现在大多数发动机的高效运行温度在95~105度左右。在汽车行驶过程中,由于环境条件和运行工况的复杂变化,发动机的热状况也在不停发生改变,想要把发动机温度控制在一个稳定的区间不是一件容易的事。作为发动机热能管理系统里重要的一员,风扇什么时候转什么和不转,什么时候该转多快就很有讲究了。
例如在热死人不偿命的撒哈拉沙漠,一辆越野车装满了行李辛苦地在沙漠里挪动,这时为了尽快给发动机散热,风扇就需要以最高速度运转。又例如在把人冻成狗的西伯利亚,一辆小钢炮飞驰在公路上,为了维持发动机的温度,风扇一定是坚决不转的。
由谁来控制风扇转与不转? 司机肯定是没闲工夫来管这个,所以只能全权交给发动机自己来处理。由于缺乏先进的电气技术,早期的发动机热能管理技术比较粗狂,风扇的动力来源于发动机本身,而对风扇转速调节控制则是交给一个叫硅油离合器的部件来实现的。
硅油离合器的原理可以简单理解成在发动机和风扇之间装一个非刚性连接的传动机构,当发动机温度比较低的时候,这个机构里面会有个空腔存在,发动机没法把动力传递到风扇上,此时发动机此时只是空转,风扇是静止不动的。而当发动机温度变高(一般高于65度),离合器上有一组双金属片因为热胀冷缩开始变形,带动一个阀门让硅油填充到这个空腔内,由于硅油是种很粘稠的高剪切力物质,便充当起了传递动力的媒介,发动机就带着风扇转起来了。而且温度越高,阀门开口越大,流进空腔的硅胶就越多,风扇的转速就越快。如果你的老爷车在冷车启动时风扇就拼命转或者发动机很烫了风扇还纹丝不动,那十有八九是硅胶离合器坏了。
不过由于汽车行驶的情况是非常复杂的,这种纯依靠物理特性来控制风扇的方式就显得过于简单粗暴了,一来是精度太低,二来是不够主动。 什么叫不够主动呢?比如在一条没什么车的高速公路上,你以匀速120的速度行驶,这时需要将发动机尽可能维持在一个较高的温度以便提高燃烧效率,那么风扇其实没必要那么勤劳,可离合器不管那么多,温度到了依然会带着风扇拼命转。 再想象一个场景,你在路上慢慢吞吞地开车,就在这时一辆铃木雨燕嗖地一声从你身旁咆哮而过,“他娘滴敢超老子的760?!”你轻蔑地哼唧了一声,迅速切S档踩底板油,发动机就像发了疯一样怒吼起来,可是硅胶离合器的反应速度可跟不上你,于是由于风扇启动的滞后性,发动机温度就直线飚到了140度,接下来的发生的就是发动机由于温度过高出现了连续爆震,动力明显下降甚至罢工,于是你只能看着雨燕留下一路灰尘离你越来越远。这,就叫不够智能,因为风扇没及时明白你的意图。
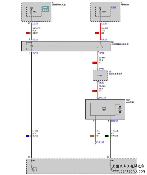
更加智能的风扇 不过如果你开的不是几十年前的宝马,那么上面的那个飙车案例显然是个伪命题,因为现在760的发动机热能管理系统不会那么傻,在各类传感器、模块、电气技术高度发达的当下,风扇的控制显得主动了很多,它会在感知到你需要燃油经济性的时候少发力,会在你刚打算暴力驾驶的第一时间就全负荷给发动机降温。并且智能远不止这些,还有更多我们作为驾驶者考虑不到的一些决策,全都可以由汽车自己完成。 让我们来看看宝马760的风扇系统电路图
风扇已由原来的发动机直接提供动力改进成了电机驱动,由于电机属于大用电电流的设备,因此它由一个继电器来控制它的开启与关闭,以保护电路。DME(发动机电脑)则连接控制风扇的继电器,通过内部接地的方式对其进行风扇的开关控制,同时DME再通过另一根信号线连接至风扇电机的控制模块,利用占空比信号对电机的转速进行调整。
而DME在何时指挥继电器的开关,又是如何去判断风扇在什么时间节点以多高的转速转动的呢?这就是由DME内部的一个算法来决定了,这个算法便是各大汽车品牌的核心技术所在了。比如宝马760的DME会实时收集来自水温传感器、空调压力传感器、变速箱油温传感器、档位传感器、节气门开度传感器等一系列数据来做思考和处理,最终将控制信号发送给继电器和风扇,于是风扇就以DME认为最合理的方式进行运作了,当然这些复杂的过程都是在瞬间完成的。
就像上面和雨燕飙车的情况,当你把档位挂入S档,踩下油门踏板的瞬间,DME电脑就已经通过收集传感器的数据,并经过思考预判出你下面将进行激烈驾驶,于是立刻指挥风扇提前以最大功率打开,以确保接下来的这段旅程你的发动机不会因为你的肾上腺素飙升而导致温度过高。当然760的热能管理系统远不止风扇一个模块这么简单,还有包括冷却液水泵、电子节温器等其他模块,都会由DME同时进行最合理的调控,而风扇只是其中的一个运作单元而已。 修车再也不是换换零件这么简单 汽车技术的发展一直以来都是紧密伴随着人类工业水平的提高,从第一次工业革命的蒸汽时代,到第二次工业革命的电气时代,以及到我们现在所处的第三次工业革命的高新科技时代,汽车变得越来越复杂,越来越先进。当今世界,人工智能是个不可逆的趋势,汽车也在大量运用人工智能,当我们在感叹阿法狗以4比1的成绩战胜了人类最牛逼的围棋大师的时候(据说输掉的那盘还是因为阿尔法狗死机了),殊不知人工智能早就已经应用在了汽车上,而且在未来会有更多的人工智能运用在你的座驾上。
因此汽车会变得越来越复杂,它会牵扯到整车线路、连接点、网络、电子元件、模块、传感器和执行机构等一系列问题,风扇作为执行机构只是这个大体系的一小部分而已,风扇不转再也不是更换一个新风扇这么简单,那还停留在头疼医头脚疼医脚的老思维。在将来的汽修厂设备你会看到越来越多的诊断电脑、示波器等专业检测设备,那些还坚信一把榔头走天下,听听声音就能判断故障来源的汽修厂将最终被历史淘汰,最后生存下来的汽修厂一定是由高素质,高技术,与时俱进的团队所组成的。
说一千道一万,对自身技术的提升是汽修从业者来说是件客不容缓的事情,汉威客顺应时代潮流正式开启针对汽修从业人员的培训业务,目前可以提供宝马品牌的专业维修培训课程,将来还会陆续开放奔驰、奥迪、大众等品牌的专业课程,请感受到发展危机的汽修厂老板或应届毕业生不要犹豫,速来与我们取得联系,机遇就放在你的面前,千万不要做刻舟求剑的那个人。 |
文章网友提供,仅供学习参考,版权为原作者所有,如侵犯到
你的权益请联系542334618@126.com,我们会及时处理。


















会员评价:
共0条 发表评论