【干货】永磁无刷直流电机基本结构及工作原理
EV视界 在传统直流电机基础上发展起来的永磁无刷直流电机,在结构上两者基本一致,不同的是永磁无刷直流电机的电枢绕组置于定子上
以下为文章全文:(本站微信公共账号:cartech8)

汽车零部件采购、销售通信录 填写你的培训需求,我们帮你找 招募汽车专业培训老师
伴随着电子控制技术和永磁材料技术的迅速发展,永磁无刷直流电机逐渐发展成熟。由于它作为在电动车的驱动电机使用时,能较好地满足电动车的各种性能要求,价格优势明显,所以很快成为了理想的电动车用驱动电机。如图1所示为电动车上常用的永磁无刷直流电机,图2所示为永磁无刷直流电机驱动的电动车。
1 基本结构 在传统直流电机基础上发展起来的永磁无刷直流电机,在结构上两者基本一致,不同的是永磁无刷直流电机的电枢绕组置于定子上,这点类似于交流电机的绕组,同时一般采用多相的形式,其中目前情况下三相应用的最多;其转子为永磁体,并且采用电子换向,定子磁场与转子永磁磁场之间的相互作用产生电磁转矩。永磁无刷直流电机根据永磁体的形状和磁路结构的不同,其气隙磁场波形有方波、梯形波、正弦波三种,反电势的波形对应相同。通常,反电势是正弦波的电机称为永磁同步电机,如图3所示;波形为其他两种类型的则称为永磁无刷直流电机,如图4所示。
图3PMSM定子绕组产生的正弦反电势
图4PMBLDCM定子绕组产生的梯形反电势 永磁无刷直流电机的组成如图5所示。由此可见,它主要有三部分组成。转子的结构有凸极式和内嵌式两种,且由永磁材料制成。定子上的电枢与永磁有刷直流电机相反,所以它具有旋转的磁场和固定的电枢。
图5永磁无刷直流电机组成 电子开关电路中的功率管等可与电机电枢绕组直接相连接,再加上位置传感器,其功能就相当于有刷电机中的机械换向装置。永磁无刷直流电机结构简单,其基本结构示意图如图6所示。
图6永磁无刷直流电机结构示意图 永磁无刷直流电机结构原理如图7所示。从图中可以看出,经过开关电路直流电源向定子绕组进行供电,控制系统对位置传感器信号进行处理后实现对开关电路的控制,正确地判断各电机绕组的通电和断电状况,进而实现电机的换向。
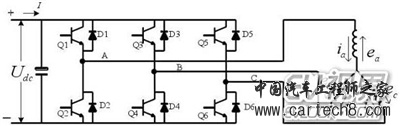
图7永磁无刷直流电机电机的结构原理图 2 工作原理 为了更好的阐述永磁无刷直流电机的工作原理,对电动车用三相星型连接形全桥驱动的永磁无刷直流电机进行分析,研究其正反转的工作状况。电机控制系统的主电路如图8所示。
图8永磁无刷直流电机的全桥驱动电路图
图9永磁无刷直流电机工作原理示意图 当电机的转子处于图9(a)中所示位置时,来自位置传感器信号通过控制系统进行逻辑变换后输出控制信号使电机的A、B两相绕组导通,电流从A相流进去,B相流出来,产生电磁转矩使电机顺时针方向转动;以60°电角度为基准以此类推,易知电机转子到达图9(b)中所示位置时电机绕组的导通情况。当绕组导通相的顺序为AB—AC—BC—BA—CA—CB—AB时,电机往顺时钟方向旋转。同理,当在图9(a)所示的位置时,若电流是经过B、C两相,则产生的电磁转矩会使电机向反向转动,当电机电枢绕组导通顺序为BC—AC—AB—CB—CA—BA—BC时,电机就会朝逆时钟方向转动。所以,要实现电机的顺时针或者逆时针转动,只需改变电机导通的逻辑顺序即可。
图10永磁无刷直流电机相电流与反电势波形图 由此上述分析可知,电机在正常的运行的任意情况下只有两相导通,每个循环分成六步。每相绕组中电流导通时长为和每个开关管的导通角均为120°电角度,且每相导通时长相差120°电角度,故称为二二导通方式。永磁无刷直流电机的相电流和反电势波形如图10所示,相电流为方波,反电势均为梯形波,若方波电流和反电势同相时,可以获得与电流大小成正比的恒定电磁转矩;反相时,则将产生相应的反向电磁转矩。 |
文章网友提供,仅供学习参考,版权为原作者所有,如侵犯到
你的权益请联系542334618@126.com,我们会及时处理。















会员评价:
共0条 发表评论